6686体育官网
MAILBOX
RU
ZH
EN
RU
HOME
ПРОДУКТ
О компании
Новости
Контакты
×
Search
ПРОДУКТ
О компании
Профиль фирмы
Честь компании
Новости
Контакты
12KV литой полюс
17.5-24KV литой полюс
36-40.5KV литой полюс
сканирование
С телефонами с телефонами
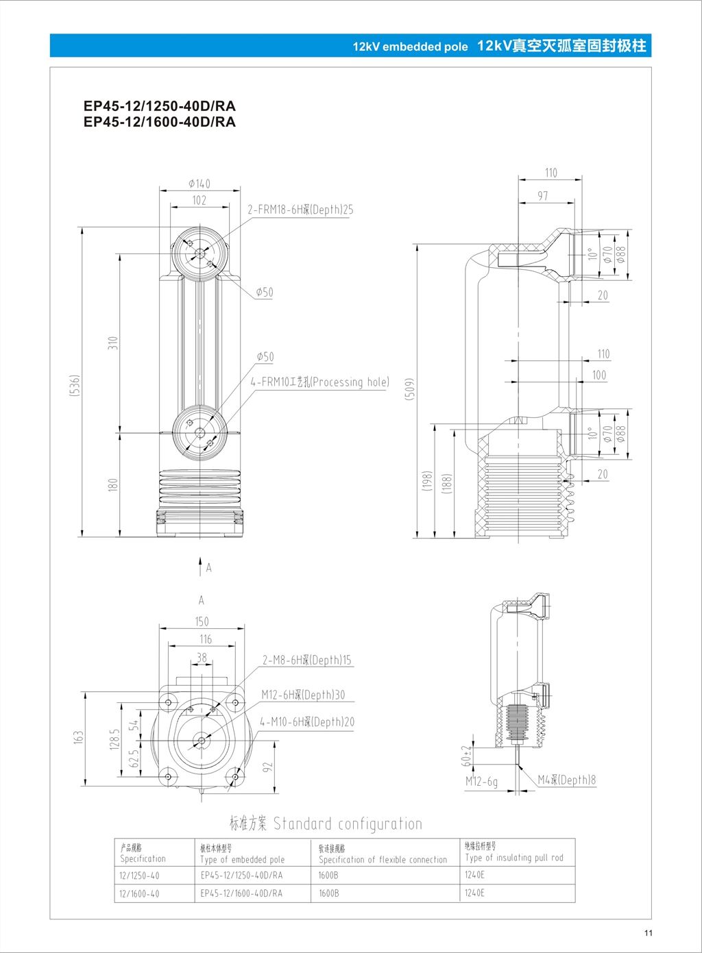
EP45-12/2000-40D/RA
Online message
EP45-12/2000-40D/RA
следующий:EP34-12/1250-31.5/R
previous: EP45-12/1250-40C/R
请稍后...
×
Online message
*
name:
*
phone:
email:
title:
*
Message content:
×
внешние почта
внутренний почта
@ykzdkj.com
@baoguang.net